Ibanez

Ibanez Ds7 Schematic

Forest Hayes Fhayes1619 On Pinterest
www.pinterest.com

October 2014 Killall 9 Humans
mirosol.kapsi.fi

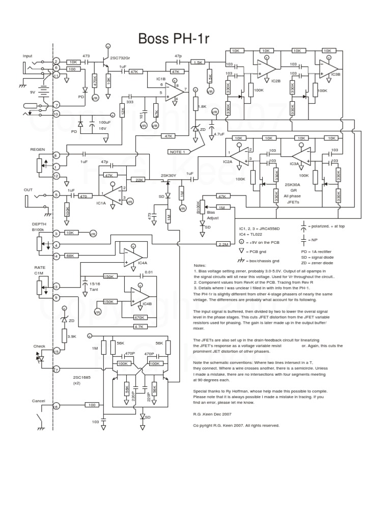
Boss Ph 1r
www.scribd.com

Schematics Electroconducive
sites.google.com

Ibanez Ds7 Distortion Effects Database
www.effectsdatabase.com

Schematics Electroconducive
sites.google.com

This site is not affiliated with the ibanez corporation in any way.

Ibanez ds7 schematic. Made in taiwan 1999. The rc99 is a great chorus. Service manuals schematics eproms for electrical technicians.

Pd7discontinued model 176kb en. Ds7discontinued model 124kb en. Heres the schematic for the guts of a ts 808 or ts 9ts 9r click on the image to enlarge.

No cosmetic flaws because the pedal was never plugged in. Ibanez ad 80 analog delay schematic ibanez ad100 analogdelay ibanez afl auto filter schematic ibanez aw7 autowah schematic ibanez be10 graphic bass eq schematic ibanez cd10 delay champ schematic ibanez cf7 stereo chorusflanger schematic ibanez cp10 compressor schematic ibanez cr5 crunchy rhythm schematic. Lacks the original packaing but this pedal is untouched.

Ibanez offers electric guitars bass guitars acoustic guitars effect and pedals amps plus guitar accessories like tuners straps and picks. Pdf size 314 kb. Ibanez offers electric guitars bass guitars acoustic guitars effect and pedals amps plus guitar accessories like tuners straps and picks.

Download ibanez ds7 service manual repair info for electronics experts. Schematic of the ibanez fl 99 classic flange. Lf7discontinued model 256kb en.

Sat in a manufacture display case. The buffered bypass is the exact same thing that has been in every ibanezmaxon flavor since the ts was offered though. They actually fixed the switch issue in the final years of production and iirc replacement switches are cheap.

Fz7discontinued model 126kb en. Totally unused and ready to rockthe tone lok series ds7 from ibanez boasts very versatile rock. Ibanez diagrams schematics and service manuals download for free.

Ibanez tube screamer ts 9 ts 808 and ts 9r are trademarks of the ibanez corporation and are used for reference only. There is a factory schematic around the webs as a floater. This site helps you to save the earth from electronic waste.

Tone lok ds7 music pedal pdf manual download. Ibanez tone lok ds7 distortion effect pedal brand new from the manufacturers display case. If you dont have an issue with those this one will be the same.

It can be found at least in here. These factory schematics are horrible to read and interpret i may need to redraw it for myself as this one hurts my eyes. Perhaps the tk999 was earlier.

The rc99 chorus was about the first of the ibanez neo classic series of which i traced the circuit. Category audio service manual. This circuit omits the footswitch and its circuit and.

We uses cookies to improve user experience.

Ibanez Bcl Tc10 Sch Service Manual Download Schematics Eeprom Repair Info For Electronics Experts
elektrotanya.com

Dtfmg Zdam9l M

The Diy Pedal Mods Thread My Les Paul Forum
www.mylespaul.com

7 Tonelok Series Killall 9 Humans
mirosol.kapsi.fi

2bhxynzpcxrw7m

7 Tonelok Series Killall 9 Humans
mirosol.kapsi.fi

Ultimate Ibanez Operation Service Manual Schematics Catalog 500 Manuals On Dvd Ebay
www.ebay.com

Ibanez Killall 9 Humans
mirosol.kapsi.fi

Wiring Schematic New Wiring Resources 2019
24.obyektiv.org

Ibanez Bcl Tc10 Sch Service Manual Download Schematics Eeprom Repair Info For Electronics Experts
elektrotanya.com

40 Best Electronics Images In 2020 Diy Electronics Electronics Projects Diy Guitar Pedal
www.pinterest.com

Ibanez Killall 9 Humans
mirosol.kapsi.fi

Dtfmg Zdam9l M

Line 6 Tactile Oem Switch Griffin Effects
www.griffineffects.com

Https Encrypted Tbn0 Gstatic Com Images Q Tbn 3aand9gcrqfebdcwhdv7sr0sts4j3is1b Cd N Ko3axr52d2zq322zri Usqp Cau
encrypted-tbn0.gstatic.com

User Reviews Ibanez Ds7 Distortion Audiofanzine
en.audiofanzine.com

Hype R Fuzz Pcb Griffin Effects
www.griffineffects.com

Distortion Killall 9 Humans
mirosol.kapsi.fi

Gx 0063 Schematic Diagram Furthermore Induction Cooker Circuit Diagram Further Free Diagram
heli.xeira.mohammedshrine.org

7 Tonelok Series Killall 9 Humans
mirosol.kapsi.fi

Ibanez Ds7 Distortion Pedal Youtube
www.youtube.com

4ms Tremulus Lune W Mods Diy Guitar Pedal Audio Amplifier Electrical Projects
www.pinterest.ca

2 1mm Dc Jack Pcb Mount Griffin Effects
www.griffineffects.com

Schematics Electroconducive
sites.google.com

Schematics Electroconducive
sites.google.com

Schematics Service Manual Or Circuit Diagram Br For Ibanez Schematic 1 80 2 30 2 0
thecodemachine.co.uk

Dtfmg Zdam9l M

Ibanez Ds7 Distortion Schematic
www.scribd.com

Electrosmash Analisis Del Circuito Del Tube Screamer
www.electrosmash.com

Pdf Transcranial Stimulation Excites Virtually All Motor Neurons Supplying The Target Muscle A Demonstration And A Method Improving The Study Of Motor Evoked Potentials
www.researchgate.net

7 Tonelok Series Killall 9 Humans
mirosol.kapsi.fi

Gsynth2 Vehicle Operation Aerostats Besplatnaya 30 Dnevnaya Probnaya Versiya Scribd
ru.scribd.com

Ibanez Ds7 Distortion Killall 9 Humans
mirosol.kapsi.fi

Les 138 Meilleures Images De Stompbox En 2020 Pedales De Guitare Guitare Ampli
www.pinterest.fr

Road Star Wiring Diagram Electric Guitar 2005 Chevy Malibu Maxx Wiring Diagram Fadli Zongk Kucing Garong 22 Sardaracomunitaospitale It
fadli-zongk.kucing-garong-22.sardaracomunitaospitale.it

Manual For Ibanez Pue 5 Tube Deropglam S Diary
deropglam.hatenablog.com

Npd Ibanez Sm7 Smash Box It Was Only 25 Guitarpedals
www.reddit.com

Ibanez Pm7 Dcf10 Dcl
www.diystompboxes.com

Role Of Cutaneous And Proprioceptive Inputs In Sensorimotor Integration And Plasticity Occurring In The Facial Primary Motor Cortex Pilurzi 2020 The Journal Of Physiology Wiley Online Library
physoc.onlinelibrary.wiley.com

Role Of Cutaneous And Proprioceptive Inputs In Sensorimotor Integration And Plasticity Occurring In The Facial Primary Motor Cortex Pilurzi 2020 The Journal Of Physiology Wiley Online Library
physoc.onlinelibrary.wiley.com

Ibanez Fz5 60sfuzz Sch Service Manual Download Schematics Eeprom Repair Info For Electronics Experts
elektrotanya.com

Overdrive Pedal On Solid State Amp Ultimate Guitar
www.ultimate-guitar.com

Forest Hayes Fhayes1619 On Pinterest
www.pinterest.com

Hb 4002 Stratocaster Wiring Diagram Hss Schematic Wiring
inkl.cette.mohammedshrine.org

Gx 0063 Schematic Diagram Furthermore Induction Cooker Circuit Diagram Further Free Diagram
heli.xeira.mohammedshrine.org

Schematics Electroconducive
sites.google.com

Schematics Service Manual Or Circuit Diagram Br For Ibanez Schematic 1 80 2 30 2 0
thecodemachine.co.uk

Ibanez Dl5 Service Manual Download Schematics Eeprom Repair Info For Electronics Experts
elektrotanya.com

7 Tonelok Series Killall 9 Humans
mirosol.kapsi.fi

Ibanez Ds7 Distortion Schematic
www.scribd.com

Ibanez Soundtank Tone Lok Replacement Switch Griffin Effects
www.griffineffects.com

Road Star Wiring Diagram Electric Guitar 2005 Chevy Malibu Maxx Wiring Diagram Fadli Zongk Kucing Garong 22 Sardaracomunitaospitale It
fadli-zongk.kucing-garong-22.sardaracomunitaospitale.it

Best Wiring For Ibanez Or Any Two Humbuckers Guitar With 5 Way Switch Dimitar Nalbantov
nalbantov.com

Ibanez Replacement Switch For Soundtank Tone Lok 5 7 Series Ts5 Ts7 Cm5 Tm5 Ds7 Ebay
www.ebay.ie

Schematics Electroconducive
sites.google.com

Npdx2 Ibanez De7 And Ds7 Guitarpedals
www.reddit.com

Les 138 Meilleures Images De Stompbox En 2020 Pedales De Guitare Guitare Ampli
www.pinterest.fr

Schematics Electroconducive
sites.google.com

Ibanez Ds7 Distortion Killall 9 Humans
mirosol.kapsi.fi

Ibanez Ds7 Service Manual Download Schematics Eeprom Repair Info For Electronics Experts
elektrotanya.com

Ibanez Killall 9 Humans
mirosol.kapsi.fi

Mb 2765 Centripro Pump Control Wiring Diagram Schematic Wiring
dupl.mopar.epsy.exmet.knie.lukep.attr.wazos.rimen.gram.amenti.inoma.nful.mohammedshrine.org

Ibanez Bcl Tc10 Sch Service Manual Download Schematics Eeprom Repair Info For Electronics Experts
elektrotanya.com

Road Star Wiring Diagram Electric Guitar 2005 Chevy Malibu Maxx Wiring Diagram Fadli Zongk Kucing Garong 22 Sardaracomunitaospitale It
fadli-zongk.kucing-garong-22.sardaracomunitaospitale.it

Ibanez Killall 9 Humans
mirosol.kapsi.fi

Schematics Electroconducive
sites.google.com

Ibanez Ds7 Distortion Killall 9 Humans
mirosol.kapsi.fi

Road Star Wiring Diagram Electric Guitar 2005 Chevy Malibu Maxx Wiring Diagram Fadli Zongk Kucing Garong 22 Sardaracomunitaospitale It
fadli-zongk.kucing-garong-22.sardaracomunitaospitale.it

Ibanez Ds7 Service Manual Download Schematics Eeprom Repair Info For Electronics Experts
elektrotanya.com

Ibanez Killall 9 Humans
mirosol.kapsi.fi

Gx 0063 Schematic Diagram Furthermore Induction Cooker Circuit Diagram Further Free Diagram
heli.xeira.mohammedshrine.org

Gx 0063 Schematic Diagram Furthermore Induction Cooker Circuit Diagram Further Free Diagram
heli.xeira.mohammedshrine.org

Forest Hayes Fhayes1619 On Pinterest
www.pinterest.com

Ibanez Od855 Sch Service Manual Download Schematics Eeprom Repair Info For Electronics Experts
elektrotanya.com

Ibanez Ds7 Service Manual Download Schematics Eeprom Repair Info For Electronics Experts
elektrotanya.com

Ibanez Ds7 Service Manual Download Schematics Eeprom Repair Info For Electronics Experts
elektrotanya.com

Ibanez Ds7 Service Manual Download Schematics Eeprom Repair Info For Electronics Experts
elektrotanya.com

Ibanez Gsr200 Review Harmony Central Ibanez Gsr200 Review Harmony Central Ibanez Aura Manual Pdf Document
fdocuments.in

Wiring Schematic New Wiring Resources 2019
24.obyektiv.org

Ibanez Ds7 Service Manual Download Schematics Eeprom Repair Info For Electronics Experts
elektrotanya.com

Ibanez Ds7 Distortion Killall 9 Humans
mirosol.kapsi.fi

Rocker Switch Spst On Off Griffin Effects
www.griffineffects.com

Ibanez Killall 9 Humans
mirosol.kapsi.fi

Schematics Electroconducive
sites.google.com

Effects And Chain Recommendation Questions Megathread The Something Awful Forums
forums.somethingawful.com

Marshall Guv Nor Based On The Schematic By Michael Burgundy Diy Guitar Pedal Guitar Pedals Dc Circuit Audio Amplifier Learn To Play Guitar Pedalboard Ma In 2020 Diy Guitar Pedal Audio Amplifier
br.pinterest.com

Gx 0063 Schematic Diagram Furthermore Induction Cooker Circuit Diagram Further Free Diagram
heli.xeira.mohammedshrine.org

Schematics Electroconducive
sites.google.com

Distortion Killall 9 Humans
mirosol.kapsi.fi

Ibanez Od855 Sch Service Manual Download Schematics Eeprom Repair Info For Electronics Experts
elektrotanya.com

Road Star Wiring Diagram Electric Guitar 2005 Chevy Malibu Maxx Wiring Diagram Fadli Zongk Kucing Garong 22 Sardaracomunitaospitale It
fadli-zongk.kucing-garong-22.sardaracomunitaospitale.it

User Reviews Ibanez Ds7 Distortion Audiofanzine
en.audiofanzine.com

Schematics Electroconducive
sites.google.com

Dg 6824 Wiring Diagram Yamaha 650 Wiring Diagram Xs650 Wiring Diagram Yamaha
cali.xeira.mohammedshrine.org

Ibanez Bcl Tc10 Sch Service Manual Download Schematics Eeprom Repair Info For Electronics Experts
elektrotanya.com

close