Ibanez

Diagrama De Guitarra Electrica Ibanez

Electronica Para Bajistas Ii Potenciometros Y Circuitos Basicos La Clave De Fa
laclavedefa.net

Ibanez Gax30 Tr Guitarra Electrica Pastillas Humbucker Puente Fijo Caoba Color Rojo B0012pperg Seguidor De Precio Amazon Graficas Del Historial De Precios De Amazon Seguimientos De Precio De Amazon Avisos De
es.camelcamelcamel.com

Review Bajo Electrico Ibanez Btb675 Color Natural Flat Youtube
www.youtube.com

Blanco Perla Rg Golpeador Para Ibanez Rg Partes De Guitarra Buy Guitarra Golpeador Guitarra Anti Rasguno Placa Rg Guitarra Golpeador Product On Alibaba Com
spanish.alibaba.com

Ibanez Ps1cm Musical Andorra
www.musicalandorra.com

Guitarra Ibanez Rg350 Exz Bk Negra Con Floyd Rose Nueva Casa Libertella
www.casalibertella.com

Electrosmash Analisis Del Circuito Del Tube Screamer
www.electrosmash.com

Ibanez Js Series Guitarra Electrica Ibanez Prestige Rg655 Guitarra Texto Recoger Logo Zona Png Pngflow
www.pngflow.com

Puente De Ebano Tipo Ibanez Mod 1 Lb Luthier
www.lbluthier.com

Mil Anuncios Com Kit Guitarra Les Paul Negro Golpeador
www.milanuncios.com

Http Www Casaveerkamp Net Archivos Guitarra Electrica Pdf

Entre Cuerdas Y Trastes Esquemas Electricos Para Guitarras Y Bajos
entrecuerdasytrastes.blogspot.com

Guitarra Electrica Modelo Satriani De Plan Of Ibanez Impresion A Escala Completa Amazon Com Mx Instrumentos Musicales
www.amazon.com.mx

Entre Cuerdas Y Trastes Esquemas Electricos Para Guitarras Y Bajos
entrecuerdasytrastes.blogspot.com

Blog Posts Servicio De Citas En Paraguay
sexoprocat.weebly.com

Pleroo Personalizada Guitarra Electrica Partes Para Ibanez Mij Rg 750 Guitarra Golpeador Hh Humbucker Camioneta Cero Placa Multiples Colo Aliexpress
es.aliexpress.com

Ibanez Js240ps Ca Joe Satriani Guitarra Electrica
www.musik-produktiv.es

Basicos
www.angelfire.com

El Rincon Del Guitarrista
www.guitarraonline.com.ar

Circuitos Para Guitarra Electrica Incluyen Diagramas De Pedales Boss Foros De Electronica
www.forosdeelectronica.com

Ibanez Gio Guitarra Electrica Ibanez Gax30 Boton De Volumen De Guitarra Cable De Cables Electricos Accesorio De Guitarra Png Pngegg
www.pngegg.com

Diagrama De Cableado De Instrumentos Musicales De Guitarra Electrica Ibanez Guitarra Cable De Cables Electricos Recoger Puente Png Pngwing
www.pngwing.com

Convertir Ibanez Tsa30 A Jcm800 Pero No Encuentro Esquema El Cuartito Diyer
foro.cuartitodiyer.com

Disc Ibanez Amv100fmd Artcore Yellow Sunburst Gear4music
www.gear4music.es

Guia Pastillas Guitarra Guitarras Tecnologia De Sonido
es.scribd.com

Ibanez Rg Ibanez Diagrama De Cableado Imagen Png Imagen Transparente Descarga Gratuita
www.freepng.es

Fondos De Pantalla 1366x768 Px Planos Guitarra Ibanez Musica 1366x768 Goodfon 1348661 Fondos De Pantalla Wallhere
wallhere.com

Circuito Bajo Electrico Pasivo
www.chilemusicos.net

Resena Para La Guitarra Electrica Ibanez Grx70qa
clasesdeguitarra.com.co

Ibanez Ijrg200 Rd Guitarra Electrica Color Rojo B00bf5eq9a Seguidor De Precio Amazon Graficas Del Historial De Precios De Amazon Seguimientos De Precio De Amazon Avisos De Bajadas De Precio De Amazon
es.camelcamelcamel.com

Guitarra Electrica Ibanez Rg 370zb Siddhartha Musical
www.siddharthamusical.com

Https Encrypted Tbn0 Gstatic Com Images Q Tbn 3aand9gcqve4rq5ngu58jnzl Xmvtdtzhfnzokk0olw5nw Y3udgmjog28 Usqp Cau
encrypted-tbn0.gstatic.com

Ibanez Ibz10g Guitar Amp Manual Manualzz
manualzz.com

Guitarra Electrica Sg Ibanez Ax120mft Metallic Forest Nueva 28 800 00 En Mercado Libre
articulo.mercadolibre.com.ar

Bajo Ibanez Gsr205 Electrico 5 Cuerdas Importado Negro
www.homemusic.pe

Skema Ibanez Jem Odie Pastillas De Guitarra Guitarra Ibanez Guitarras
www.pinterest.es

Ibanez Signature Jsm10 Vys John Scofield Guitarra Electrica
www.musik-produktiv.es

Entre Cuerdas Y Trastes Esquemas Electricos Para Guitarras Y Bajos
entrecuerdasytrastes.blogspot.com

Electrosmash Analisis Del Circuito Del Tube Screamer
www.electrosmash.com

Ibanez Pjtc1 Pick Set Thomann Espana
www.thomann.de

Instalacion Pickups Dimarzio Guitarras Musiquiatra
www.musiquiatra.com

Bajo Electrico Wikipedia La Enciclopedia Libre
es.wikipedia.org

Ibanez De Hierro De La Etiqueta Rgaix6fm Descarga Gratuita De Png Ibanez Rg Diagrama De Cableado Diagrama De Circuito Electrico De La Guitarra Guitarra Electrica Imagen Png Imagen Transparente Descarga Gratuita
www.freepng.es

Guitarra Electrica Ibanez Rg Jem Jr Wh Steve Vai Signature
www.unpluggedmusic.com.ar

Entre Cuerdas Y Trastes Esquemas Electricos Para Guitarras Y Bajos
entrecuerdasytrastes.blogspot.com

5 Anatomia De La Guitarra Electrica Las Pastillas Pickups Por Jan Doxrud Liberty Knowledge
www.libertyk.com

Diy Guitarra Circuitos
es.slideshare.net

Guitarra Electrica Precableado Cargado Golpeador Para Ibanez Partes Hsh 3 Capas Blancas Perla Ebay
www.ebay.es

Venta De Guitarra Ibanez Gio Grx40 39 Articulos Usados
www.venta-de.cl

Ibanez Artcore As73 Tbc
mrmusico.com.mx

Comprar Ibanez As63 Crp Artcore Coral Pink Euroguitar
es.euroguitar.com

Conociendo El Selector O Switch De 5 Posiciones De La Fender Stratocaster Aprendiz De Luthier
aprendizdeluthier.com

Guitarra Electrica De Cuerpo Solido Ibanez Rga60al Abl Axion Label Antique Brown Stained Low Gloss Natural
www.stars-music.es

Ibanez Pgm Guitarra Electrica Ibanez Rgat62 Guitarra Png Clipart Pngocean
www.pngocean.com

Ibanez Jem Guitarra Electrica Cuerdas Guitarra Texto Logo Png Pngegg
www.pngegg.com

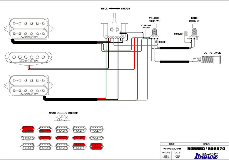
Compre Recogida Nuevo Estilo De La Aleacion De Acero 5 Pastillas Guitarra Rg2550 Rg2570 Sas El Cuello De La Guitarra Electrica Medio Puente A 14 58 Del Iguitar Dhgate Com
m.es.dhgate.com

Piezas De Guitarra Electrica Personalizada Pleroo Para La Mano Izquierda Mij Ibanez Rg40 Guitarra Pickguard Pickup Scratch Plate Hsh Humbucker Aliexpress
es.aliexpress.com

Pastilla Guitarra Electrica Ibanez Super 58 Humbucker Neck Gold
www.stars-music.es

Humbucker Pickup Hawk Ibanez Rg Bobina Electromagnetica Blackhawk Angulo Recoger Puente Png Pngwing
www.pngwing.com

Conociendo El Selector O Switch De 5 Posiciones De La Fender Stratocaster Aprendiz De Luthier
aprendizdeluthier.com

Guitarra Electrica Ibanez Gio Grg150dx Bkn Black Knt Nueva 29 760 00 En Mercado Libre
articulo.mercadolibre.com.ar

Ibanez Az2204 Icm Prestige Ice Blue Metallic Music Store Professional Es Oe
www.musicstore.com

Help Circuito Eq Activo Ibanez De Bajo T T
www.chilemusicos.net

Ibanez Az2204b Prestige
vanzguitars.blog

Https Encrypted Tbn0 Gstatic Com Images Q Tbn 3aand9gctbidn2o391iactwknq8 Itoctp9boj02m9vpyc5hykccq5qpr Usqp Cau
encrypted-tbn0.gstatic.com

Ibanez Jemjr Wh
jimenezsonido.com

Modificacion Ibanez Rg 170 Ha Jem 7vwh El Taller Guitarristas Info
www.guitarristas.info

2

Bajo Electrico Ibanez Sr875 Brg
mrmusico.com.mx

Ibanez Js Series Guitarra Electrica Ibanez Prestige Rg655 Guitarra Png Clipart Pngocean
www.pngocean.com

El Alma De La Guitarra Ajuste Del Mastil Guitarraviva
www.guitarraviva.com

Cargado Precableado Golpeador Para Ibanez Grg250 Guitarra Electrica Partes Hsh Ebay
www.ebay.es

Guia Para Cambiar Pastillas A Ibanez Rg350dx Lutheria Guitarristas Info
www.guitarristas.info

Diagram Pastrana Guitars
www.pastranaguitars.com

Guitarra Electrica Guitarras Tornillo
es.scribd.com

Ibanez Signature Atz 100 Andy Timmons Sbt Guitarra Electrica
www.musik-produktiv.es

Ibanez Am93 Guitarra Electrica 1 2 Caja 335 Soul Rock Blues
www.unpluggedmusic.com.ar

Guitarra Electrica Ibanez Gio Gsa60 Bs Brown Sunburst Casa Libertella
www.casalibertella.com

Esquema De Cableado Guitarra Cableado Ibanez Guitarra Electronica Texto Png Pngegg
www.pngegg.com

8 Guitarras Electricas Un Breve Recorrido Por Las Series Y Modelos Ibanez Por Jan Doxrud Liberty Knowledge
www.libertyk.com

Diagram Mo0rmxw Ibanez Guitar Wiring Diagram Rg 5 Way Pickup
www.pinterest.com

Music Shaker Guitarra Electrica Ibanez Grx40 Sunburst Cuerpo Solido Cuota 31 225 00
musicshaker1.mercadoshops.com.ar

Https Encrypted Tbn0 Gstatic Com Images Q Tbn 3aand9gcq07yd0 Zad Esgj5tgbdk6gowudji9fec Azarj2o Vheuzrk Usqp Cau
encrypted-tbn0.gstatic.com

Instalar Pastillas O Picku Guitarra Electrica Youtube
www.youtube.com

Diagrama Jpg Pastillas De Guitarra Diseno De Guitarra Acordes De Guitarra
ar.pinterest.com

Jazz Bass Pastrana Guitars
www.pastranaguitars.com

Servicio A Ibanez Sr305 Dx Este Bajo Donnie S Guitars Calibracion Y Reparacion De Guitarras Y Bajos Facebook
www.facebook.com

Amazon Com Plan De Ibanez Universo 7 String Guitarra Electrica Escala Completa Impresion Musical Instruments
www.amazon.com

Guia Para Cambiar Pastillas A Ibanez Rg350dx Lutheria Guitarristas Info
www.guitarristas.info

Amazon Com Plan De Ibanez Jem Guitarra Electrica Escala Completa Impresion Musical Instruments
www.amazon.com

Ibanez Sr305e Cub Musical Andorra
www.musicalandorra.com

Esquema Conexion Dimarzio Ibz En Selector 5 Posiciones Ibanez Prestige El Taller Guitarristas Info
www.guitarristas.info

Gibson Les Paul Guitarra Amplificador Guitarra Electrica Ibanez Guitarra Electrica Gibson Les Pablo Png Pngwing
www.pngwing.com

Resultado De Imagen De Esquema Electrico Guitarra Esquemas Electricos Guitarras Esquemas
www.pinterest.com

Dual Humbucker Wiring Diagram Schematic Vga Cable Wiring Diagram 5 Pin Jibril Kucing Garong 22 Sardaracomunitaospitale It
jibril.kucing-garong-22.sardaracomunitaospitale.it

Diy Guitarra Circuitos
es.slideshare.net

Diagrama De Cableado Para Pastillas Pastillas De Guitarra Guitarras Diseno De Guitarra
ar.pinterest.com

Entre Cuerdas Y Trastes Esquemas Electricos Para Guitarras Y Bajos
entrecuerdasytrastes.blogspot.com

Mil Anuncios Com Clavijero Guitarra Electrica 3x3 Negro
www.milanuncios.com

Guitarra Electrica Ibanez Gax30 Mst Mustard Nueva Garantia 21 760 00 En Mercado Libre
articulo.mercadolibre.com.ar

Comprar Ibanez Gsa60 Wnf Gio Walnut Flat Euroguitar
es.euroguitar.com

Ibanez K5 Bkf Fieldy Bajo Electrico 5 Cuerdas Black Flat Precio Tienda Online Barcelona Mataro O Vic
auvisa.com

Http Www Casaveerkamp Net Archivos Guitarra Electrica Pdf

close